Нет в наличии
2250 руб.
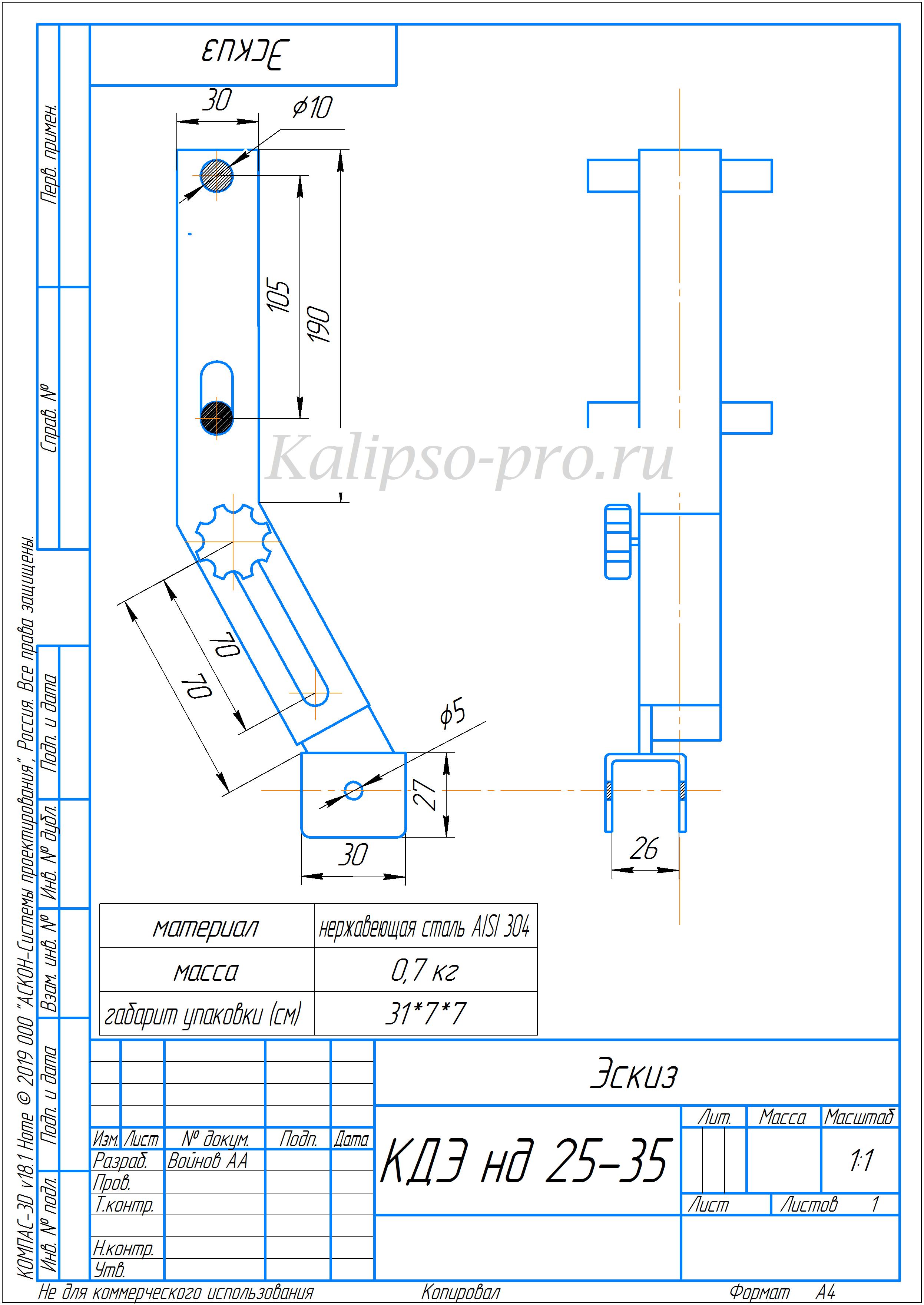
Кронштейн датчика эхолота для лодок с НДНД к транцевым колесам ТК25нд, ТК35нд.
